Frais de port offerts à partir de 89,00€ d'achat.
Les retours sont acceptés sous un délai de 14 jours à compter de la réception du colis.
Le délai de livraison est de deux jours ouvrables en Colissimo et 24H en Chronopost pour la France Métropolitaine.
Nous apportons le plus grand soin à chaque colis. Nous utilisons également des emballages de réemploi pour le respect de l'environnement.
Nous acceptons les paiements par carte, Paypal, virement bancaire et chèque selon votre choix.




Quantité
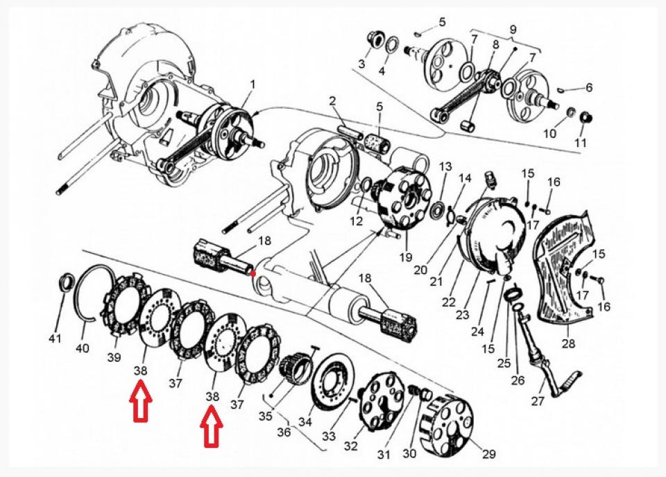
1+ -Un disque lisse d'embrayage neuf d'origine Piaggio référence '093745' ou '050720', repère numéro 38 sur la vue éclatée.
Caractéristiques :
- Diamètre extérieur : 108mm
- Diamètre intérieur entre dents : 56mm
- Diamètre intérieur sur dents : 49.5mm
- Épaisseur : 1.5mm
- Nombre de dents : 25
Vendu nu à l'unité.
Livré conforme à la photo.
Couleur : Gris
Matière : Métal
Etat : Neuf
Produit neuf en parfait état.