Frais de port offerts à partir de 89,00€ d'achat.
Les retours sont acceptés sous un délai de 14 jours à compter de la réception du colis.
Le délai de livraison est de deux jours ouvrables en Colissimo et 24H en Chronopost pour la France Métropolitaine.
Nous apportons le plus grand soin à chaque colis. Nous utilisons également des emballages de réemploi pour le respect de l'environnement.
Nous acceptons les paiements par carte, Paypal, virement bancaire et chèque selon votre choix.

Quantité
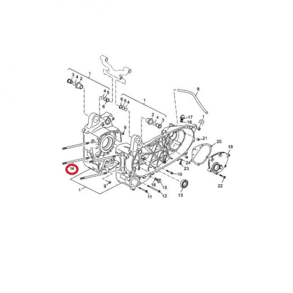
1+ -Un goujon de cylindre neuf origine YAMAHA référence '9011608021000' en acier de coloris gris.
Caractéristique :
- Longueur totale: 183mm.
- Diamètre tige : 6mm.
- Filetage : M8 pas de 125 standard (non inversé) longueur 23mm.
Repère N°14 sur la vue éclatée.
Vendu nu à l'unité.
Livré conforme à la photo.
Couleur : Gris
Matière : Métal
Etat : Neuf
Produit neuf en parfait état.