Frais de port offerts à partir de 89,00€ d'achat.
Les retours sont acceptés sous un délai de 14 jours à compter de la réception du colis.
Le délai de livraison est de deux jours ouvrables en Colissimo et 24H en Chronopost pour la France Métropolitaine.
Nous apportons le plus grand soin à chaque colis. Nous utilisons également des emballages de réemploi pour le respect de l'environnement.
Nous acceptons les paiements par carte, Paypal, virement bancaire et chèque selon votre choix.


Quantité
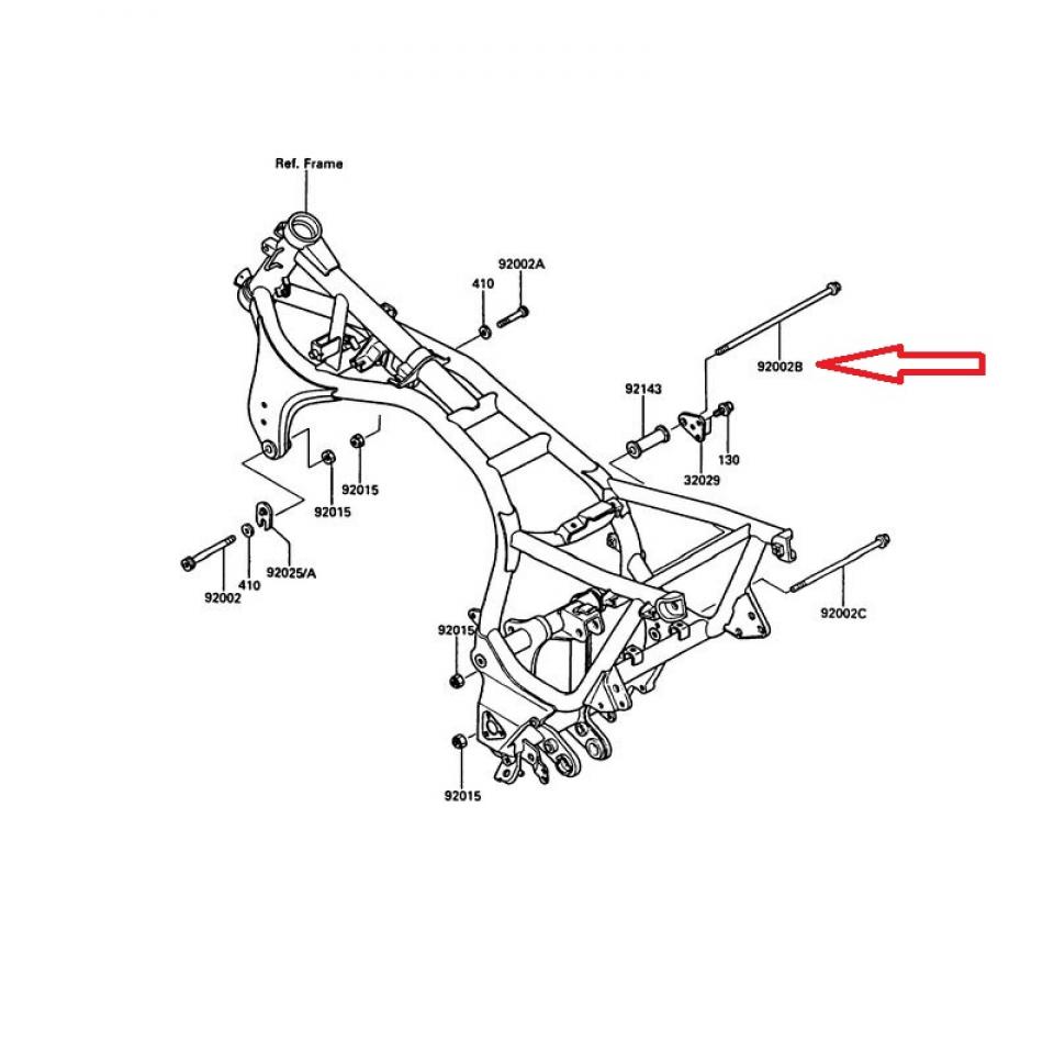
1+ -Vis 10x265 du cadre neuve d'origine KAWASAKI référence : '92002-1722'.
Caractéristiques :
- Longueur totale : 274mm
- Longueur sous tête : 265mm
- Longueur du filetage : 21.5mm
- Diamètre : 10mm
- Diamètre du filetage : M10 au pas de 1.25
- Hexagonale : 14mm
Repère N°92002B sur la vue éclatée.
Vendu nu à l'unité.
Livré conforme à la photo.
Couleur : Gris
Matière : Métal
Etat : Neuf
Produit neuf en parfait état.